[14+] Wiring Diagram For Isuzu Crosswind, Isuzu Fuse Box - Wiring Schema Collection

Wiring Diagram For Isuzu Crosswind Isuzu Engine Crosswind Trooper 1998 Alternator Replace Unique

Isuzu fuse fuses relays axiom

√wiring diagram isuzu panther ⭐⭐⭐⭐⭐. Isuzu diagram wiring kb lexus 2001 plug cadillac spark diagrams wire gmc jaguar ford. [diagram] wiring diagrams for isuzu impulse full version hd quality. Words 3rd graders should know

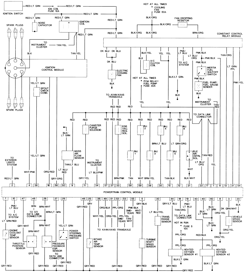
Isuzu Wiring Diagram Free Download - Atkinsjewelry

Isuzu Wiring Diagram Free Download - Atkinsjewelry

Free Isuzu Wiring Diagram - YouTube

Free Isuzu Wiring Diagram - YouTube

WORDS 3RD GRADERS SHOULD KNOW - Auto Electrical Wiring Diagram

WORDS 3RD GRADERS SHOULD KNOW - Auto Electrical Wiring Diagram

automotive wiring diagram, Isuzu Wiring Diagram For Isuzu Npr: Isuzu

automotive wiring diagram, Isuzu Wiring Diagram For Isuzu Npr: Isuzu

Isuzu Wiring Diagram Free Download - Derslatnaback

Isuzu Wiring Diagram Free Download - Derslatnaback

Komentar

Postingan populer dari blog ini

[19+] Elektro Stromlaufplan Freeware, Elektroplan Haus Erstellen Freeware — Bosch

[13+] Book Tesla Questions, 2003 Ford Explorer Sport XLS Manual 2dr 4x4 Pictures

Bride & Prejudice [Full Movie]▾: Bride And Prejudice Movie Download 300mb